产品列表
PAM加药装置

概述
PAM加药装置是一个自动、连续式的絮凝剂溶配装置,配制溶液范围为0-5000升/时,浓度为0.1%-0.3%。
干粉絮凝剂从螺旋推进器内进入速溶器内与清水进行预混,被湿润的物料进入配制槽进行搅拌稀释,按要求浓度进行配制;配制过程中,进水量在流量计观测下必须相对稳定,从而保证在整个工作工程中,配制溶液浓度不变。
配制溶液从配制槽经熟化槽再进入储存槽,当储存槽液位处于高位时,配置过程自动停止,加药液过程继续,当溶液下降到中液位时,重新自动启动配料过程。配制槽和熟化槽均设置搅拌器,充分保证絮凝剂的稀释和熟化。另外,储存槽溶液不足时会触及下液位报警系统,所有系统均停止并报警。本装置是由具有自动化程度高、性能稳定、工作可靠、操作简单等特点。
产品特点
1、自动化程度高、操作简单方便;
2、系统稳定可靠,有故障时相关设备会自动按要求停止,同时发出报警信号;
3、采用螺旋给料器投加粉体,可手动调速,保证投料均匀、分散、精度高;
4、在规定的生产量及连续投液条件下,其配置浓度为0.1%-0.5%;
5、干粉不足、药液不足时均能发出报警信号;
6、采用微型振动马达防干粉仓内架桥;
7、预混器加速粉料的水化作用。
设备配置说明
PAM加药装置是一个自动、连续式的絮凝剂溶配装置,配制溶液范围为0-5000升/时,浓度为0.1%-0.3%。
干粉絮凝剂从螺旋推进器内进入速溶器内与清水进行预混,被湿润的物料进入配制槽进行搅拌稀释,按要求浓度进行配制;配制过程中,进水量在流量计观测下必须相对稳定,从而保证在整个工作工程中,配制溶液浓度不变。
配制溶液从配制槽经熟化槽再进入储存槽,当储存槽液位处于高位时,配置过程自动停止,加药液过程继续,当溶液下降到中液位时,重新自动启动配料过程。配制槽和熟化槽均设置搅拌器,充分保证絮凝剂的稀释和熟化。另外,储存槽溶液不足时会触及下液位报警系统,所有系统均停止并报警。本装置是由具有自动化程度高、性能稳定、工作可靠、操作简单等特点。
产品特点
1、自动化程度高、操作简单方便;
2、系统稳定可靠,有故障时相关设备会自动按要求停止,同时发出报警信号;
3、采用螺旋给料器投加粉体,可手动调速,保证投料均匀、分散、精度高;
4、在规定的生产量及连续投液条件下,其配置浓度为0.1%-0.5%;
5、干粉不足、药液不足时均能发出报警信号;
6、采用微型振动马达防干粉仓内架桥;
7、预混器加速粉料的水化作用。
设备配置说明
| 标准配置 | 9、进水流量计(管式) |
| 1、三腔式预调、熟化、成药箱体 | 10、进水电磁阀 |
| 2、干粉投加箱 | 11、管阀件组合 |
| 3、干粉速溶装置 | 12、控制箱子(本地控制含远程控制接口) |
| 4、手调式干粉加药器 | 可选配置 |
| 5、干粉仓振动器 | 1、药粉加热装置 |
| 6、干粉断料报警器 | 2、进水电磁流量计 |
| 7、混合搅拌机 | 3、高浓度液态稀释系统 |
| 8、成药液位控制器 | 4、药液投加泵 |
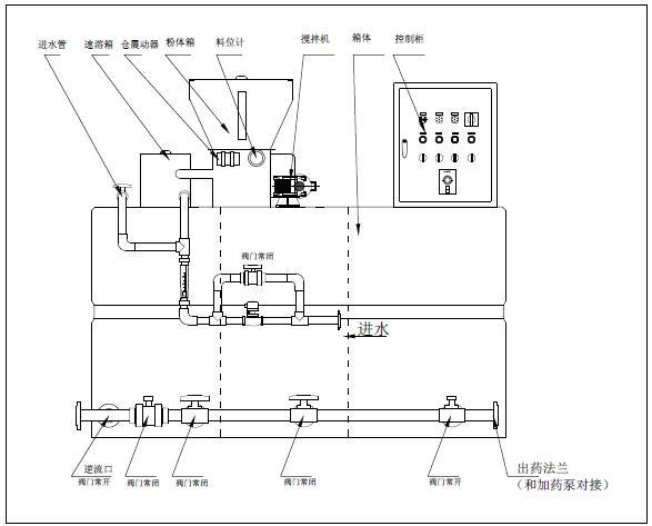
外形示意图

技术参数表
| 型号 | 泡药量 (L/H) | 箱体有效总体积 (m3) | 总功率 (kw) |
| TBAD1000 | 1000 | 1.5 | 2 |
| TBAD 1500 | 1500 | 2 | 2.8 |
| TBAD 2000 | 2000 | 2.5 | 2.8 |
| TBAD 2500 | 2500 | 3 | 3.85 |
| TBAD 3000 | 3000 | 3.5 | 3.85 |
| TBAD 3500 | 3500 | 4 | 3.85 |
| TBAD 4000 | 4000 | 4.5 | 5.05 |



苏公网安备32028202232131号